
Përshkrimi i hollësishëm i produktit
| Avantazhi: | Shpejtësi e lartë | Shpejtësia e etiketimit: | 60-200 copë / min |
|---|---|---|---|
| Funksioni: | Etiketimi i ngjitësve ngjitës | Materiali: | Çelik inox |
| Lloji i shishes: | Kavanoz automatik i etiketave të shisheve të rrumbullakëta | Aplikacion: | Për të gjitha llojet e kontejnerit të rrumbullakët |
| Marka Plc: | MITSUBISHI (Japoni | Motor i etiketimit të servo: | DELTA (Tajvan |
makinë për etiketimin e verës së kuqe makinë për etiketimin e shisheve të verës së qelqit, sistem kontrolli PLC makinë etiketimi të markës MITSUBISHI
Karakteristikat:
1. Funksionimi: Sistemi i kontrollit PLC e bën makinerinë e etiketimit të lehtë për tu përdorur
2. Materiali: Trupi kryesor i makinës e etiketimit është bërë prej çeliku inox SUS304
3. Konfigurimi: Makineritë tona etiketuese pranojnë pjesë të markave të njohura japoneze, gjermane, amerikane, koreane ose Tajvane
4. Fleksibiliteti: Klienti mund të zgjedhë të shtojë printerin dhe makinën e kodit; mund të zgjedhë të lidhet me transportuesin apo jo.
Parametrat teknikë:
| Emrin | Shishja automatike e rrumbullakët e verës për mëngë me shpejtësi të lartë zvogëlohet makina e etiketimit të shisheve të rrumbullakëta |
| Shpejtësia e etiketimit | 60-350 copë / min |
| Lartësia e objektit | 30-350 mm |
| Trashësia e objektit | 20-120 mm |
| Lartësia e etiketës | 5-180 mm |
| Gjatësia e etiketës | 25-300 mm |
| Diametri Brenda Rulit të Etiketave | 76 mm |
| Diametri i jashtëm i rulit të etiketave | 420 mm |
| Saktësia e etiketimit | Mm 1 mm |
| Furnizimi me energji elektrike | 220V 50 / 60HZ 3.5KW |
| Konsumi i gazit i printerit | 5Kg / m2 (nëse shtoni makinën e kodimit) |
| Madhësia e makinës etiketuese | 2800 (L) × 1650 (W) × 1500 (H) mm |
| Pesha e makinës etiketuese | 180 kg |
Konfigurimi
| Jo | Pjesa | markë | sasi |
| 1 | PLC | MITSUBISHI (Japoni) | 1 |
| 2 | Konverteri kryesor | DANFOSS (Danimarkë) | 1 |
| 4 | HMI | PASQYRA E VINSHTRIMIT (Tajvan) | 1 |
| 5 | Motor i etiketimit të servo | DELTA (Tajvan) | 1 |
| 6 | Shoferi i motorit me etiketim servo | DELTA (Tajvan) | 1 |
| 7 | Motor transportues | HY (Tajvan) | 1 |
| 8 | Kutia e ingranazhit transportues | HY (Tajvan) | 1 |
| 9 | Ndarja e motorit të shishes | GPG (Tajvan) | 1 |
| 10 | Ndarja e kutisë së shpejtësisë të motorit | GPG (Tajvan) | 1 |
| 11 | Shishja që ndan rregullatorin e shpejtësisë së motorit | GPG (Tajvan) | 1 |
| 12 | Motor i folur | GPG (Tajvan) | 1 |
| 13 | Kutia e shpejtësisë motorike | GPG (Tajvan) | 1 |
| 14 | objekti zbulon syrin magjik | OMRON (Japoni) | 1 |
| 15 | fibër optike | OMRON (Japoni) | 1 |
Detaje të makinës:

32 pjesë kryesore të makinës etiketuese

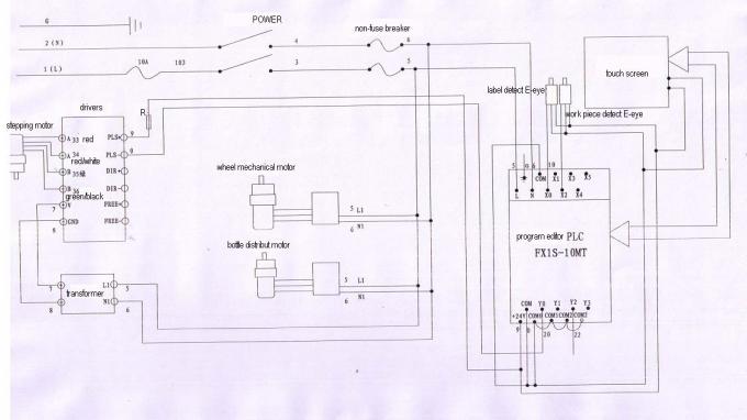
Diagrami i qarkut

FAQ:
1.e etiketimi merr flluska
Arsye:
① bordi nuk është i mirë / jo i sheshtë;
Board bordi i plugut nuk është i mirë / jo i sheshtë;
Output prodhimi i etiketimit është shumë i shpejtë ose shpejtësia e linjës së montimit është shumë e ulët;
④ etiketa është tërhequr shumë e lirshme
Zgjidhjet:
① ndërroni një bordurë të sheshtë;
② ndërroni një dërrasë të sheshtë çan;
③ ngadalësoni shpejtësinë e prodhimit të etiketimit ose rrisni shpejtësinë e linjës së montimit;
④ ndikoni siç duhet në rripin e etiketës.
Tag: makinë industriale etiketuese, makinë etiketimi shishe qelqi









